忍者ブログ

明日の設計図

たまにロボットを考えるブログ・・・。

[PR]

×

[PR]上記の広告は3ヶ月以上新規記事投稿のないブログに表示されています。新しい記事を書く事で広告が消えます。

4、5、6、7、7!!!

 やばい7月になった。

 4月からロボット作ってない。

 なんで!?

 
 自分の頭の悪さと戦ってたら時間がなくなっちまった。くそ。


 ロボットって難しいよね。
 理論を元に、機構とか、回路とか、制御とか、設計していくんだけども。
 実際に動かしてみると、絶対理論どおりには行かない。

 理論の次は、調整というのが重要です。

 理論1割、調整9割ぐらいが今のところいちばん要領よく、ロボットを動かすコツだと今のところは考えています。
 しかし、それでは大学で勉強する意味があんまりないです。

 だから、頭が悪いというのだ。
 くそ。

 
 
 今日はじめて、3m/sの目標速度で○を一周したぜ。

拍手[0回]

PR

fmvnbp139

 バッテリーパック↑

高校以来自分のパソコンとして利用されているbibloは3ヶ月ほど前にバッテリーが
うんとも、すんとも言わなくなりました。

そのおかげで、プリンタのあるところに行くたびにpcの電源を落として、acアダプタをもっていかないといけませんでした。


けだし、今日新しいバッテリがやってきた(結構探した。無いかとおもった。ネットはすごい。)。

1万円を超えてしまいました。

記憶が正しければ、pcの値段は20万ぐらいだったような。

一回ディスプレイ直した時は7万ぐらいだったような。

・・・。

俺のパソコンは 高級品だ。

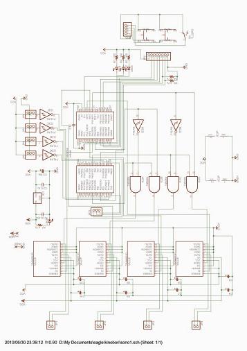
eadfddd4.jpg









この前製作した回路。H83694入れ替わり立ち代り、モータが4つ。

問題点
・モータドライバがhighフリーでlow回転であることに製作した後気づいた。(NOT挟んで改善)
・ブートモードにすると、モータが回る。(未解決、モータ側スイッチ案)
・マイコンが熱くなる。(未解決、マイコン不良?)

よーく考えよう。

拍手[0回]

新しい環境をゲット

名づけてラジオ環境。

radiro

kikeru
です。

世間はいつのマニやら便利になっていました。

いや、ホントニ。

拍手[0回]

夏が来た。

 最近はトンと暑くなりました。

朝掃除のおじさんと、「蒸し暑いねえ。」とか話をしながら、教室行きます。

とまあ、そんな感じで3年の夏みたいな感じです。(すごく青春っぽいね。)



最近私の、脳内シミュレータでは、フライングアーマーを装着していないZの運動性能を評価しています。どうかんがえてもあれはお荷物だと思うので、オプションパーツでよくないですか。あれで、ジ・Oと渡り合えるんだから、あれ取れば、圧倒的な運動性能で翻弄できないだろうか。だって、百式だってあんなに動くし。


とか、思います。
外に一歩出ると、夏の青臭い風が心地いいです。

拍手[0回]

もう一週間か

 すでに文化の祭典当日から一週間がたちました。特に作業は進みません。

ぐうたらです。文化の祭典一週間前からした作業、とその後一週間でした作業。比べてみれば歴然。もちろん、それは、部活だけでなく、勉学、研究、全部です。

最近面白いと思ったこと。
palemoonを開いてるときに、firefoxを開くとpalemoonになってしまいます。

ああ面毒背。
変なタイミングで、セキュリティソフトの更新が入って、バックsするとページが戻ってしまう。
書いた内容が、消えてしまう。
ちなみにさっきは、打ち上げのことを書いていた。
最後に歌ったのは「Flymetothemoon」でした。

二足歩行ロボットでさ、ガードモーションの後にカウンターモーションあったらいいよね。


拍手[0回]

疲れたので一息

 ブログは一息つくためにあります。

最近palemoonとか言うブラウザを使い始めました。いいのか悪いのか、もともといろんなブラウザ使ったことがあるわけでもないので、これといって評価できません。

大変だったのは、タブを出しすぎて30ぐらいか記憶させたまま、終了させてもう一度開けたときです。

でもタブがいっぱいにできるだけすごいですね。

日曜日は文化の祭典です。
気合を入れていきましょう。

拍手[0回]

驚くべき時代ですね

 驚くべきことですが、視聴率が4.9か。しかし、週間ジャンル別10にランクインできてない。

 ま、そんなもんか。

 
 最近ネットらじおを聞くことが週1ぐらいの頻度で発生してますが、ひとつ気づきました。
 聞いてる途中で別タブで、スクロールバー動かすと音がとびます。

 しかし、別ブラウザのスクロールは大丈夫でした。
 よかった、よかった。

拍手[0回]

まだ・・・いや、もうか

 気の抜けた日々を送り始めている今日この頃です。そろそろ腹をくくって頭を入れ替えないと。

 そして最近思いついたのですが、自宅でも作業したいと思います。なので、その環境を整えようかと思い始めました。つい先日、知り合いから安定化電源をひとついただきました。これで何とか、うまい具合に回路実験用の、電源とか、充電器用の電源とかにできたらいいな。と考えてます。

 まずは部屋の改装からです。
 


 Gガンダムって面白いです。
 ガンダムって寡黙、と考えて大丈夫でしょうか。

拍手[0回]

お疲れ様でした。

 芝浦工業大学のロボフェスに行ってまいりました。

 うまい具合に動いたので、シングル3位という初めての入賞を果たしました。

 皆さんお疲れ様でした。


 


 苺のことから、ピルクスって会社を知ったので、調べてみたらよさそうなものが売ってました。

 でもぼくには使い方がトンとわかりません。

拍手[0回]

衝動づくりするのこと

 今日は日曜日、特に何もしない。

 いま外ではけるズボンが1着しかない。という状況なので、駅前で服を買いました。すそ上げをお願いするのがなんと言うか、気が乗らないので、そのまま買ってきました。20センチまくります。

 ある研究室で箱イスがあります。キャスターで動きます。イスの下の空間が荷物置き場になります。
 これは、うちにも1つ!ほしい!!
 と思いました。なので作りました。

 直射日光の中20時間。
hakosime.JPG
よくできました。
40センチぐらいの直方体です。
とは世辞にもいえない。

ですがすわれはします。かつての本棚のように、オール百均ではなく。ねじとカグスベールが100均一です。




hakoake.JPGもちろんただの箱ではなく、ふたの付いた入れ物です。

とりあえず今は、拾った”小粋なかばん”が収納されています。

使われた材木は、10年も昔に、親が、隣のうちとの間に垣根を作ろうとして、買ってきたものです。(垣根は未だに完成されていない。・・・凍結。)

後はホームセンターに行って、なんか、ふかふかしたものを、ふたの上に取り付ければ、カンペキ。

 

 SKKのよい子は、ロボットを作ろう。

拍手[0回]

プロフィール

HN:
Adel
年齢:
36
性別:
男性
誕生日:
1989/09/17
職業:
会社員
趣味:
モチベーション探し
自己紹介:
ロボットつくるのが夢

ブログ内検索

アクセス解析